€321.54
Available to order, delivery time: 2-3 Weeks
Art. No: WST8810231361 P/N: 943122 Manufacturer: DEHN
Secure Payment
Fast Shipping
Expert Advice



Product information "Dehn 943122 Ueberspannungsableiter Typ 2 DEHNguard MD 2-polig fuer TT- und TN-Systeme mit ACI"
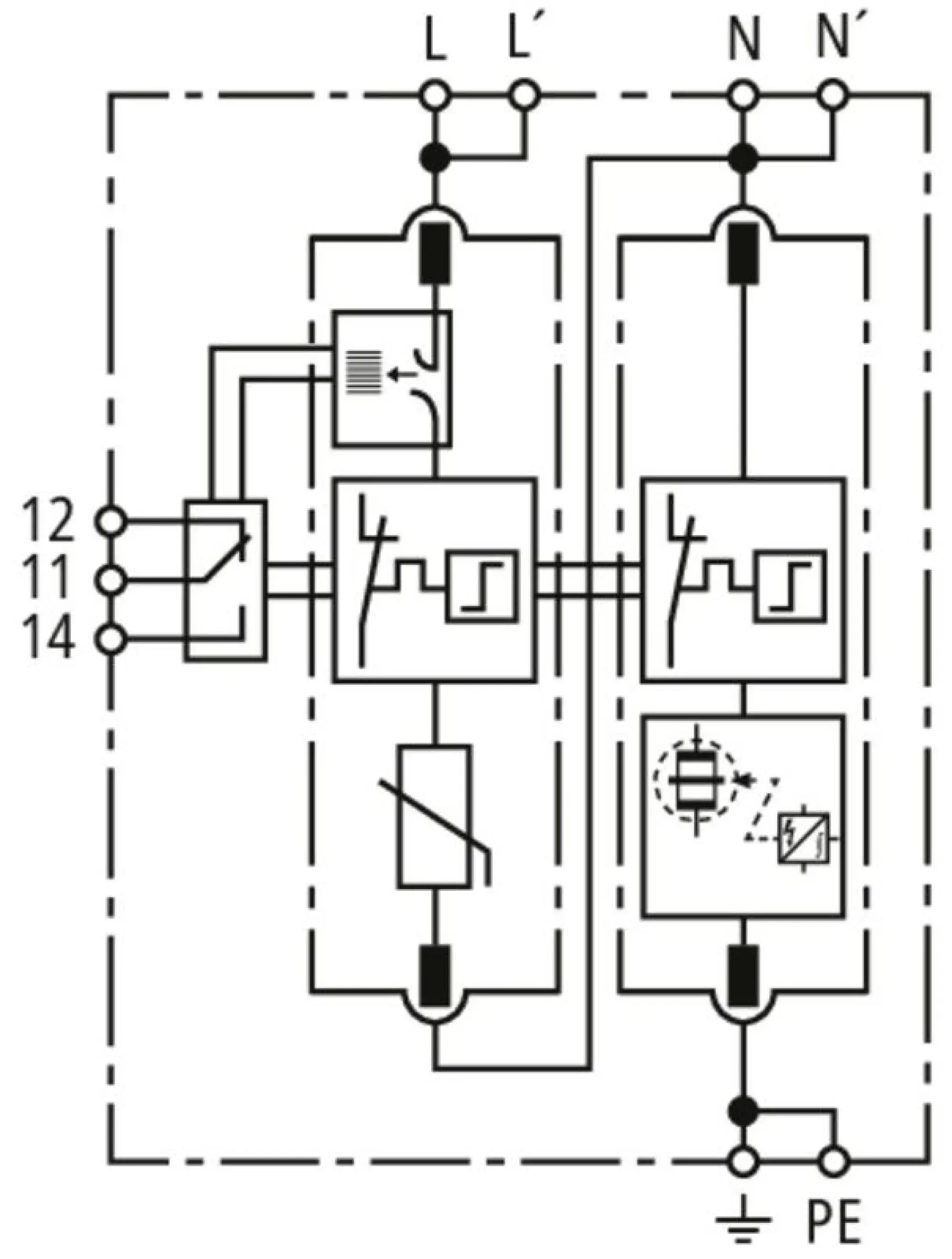
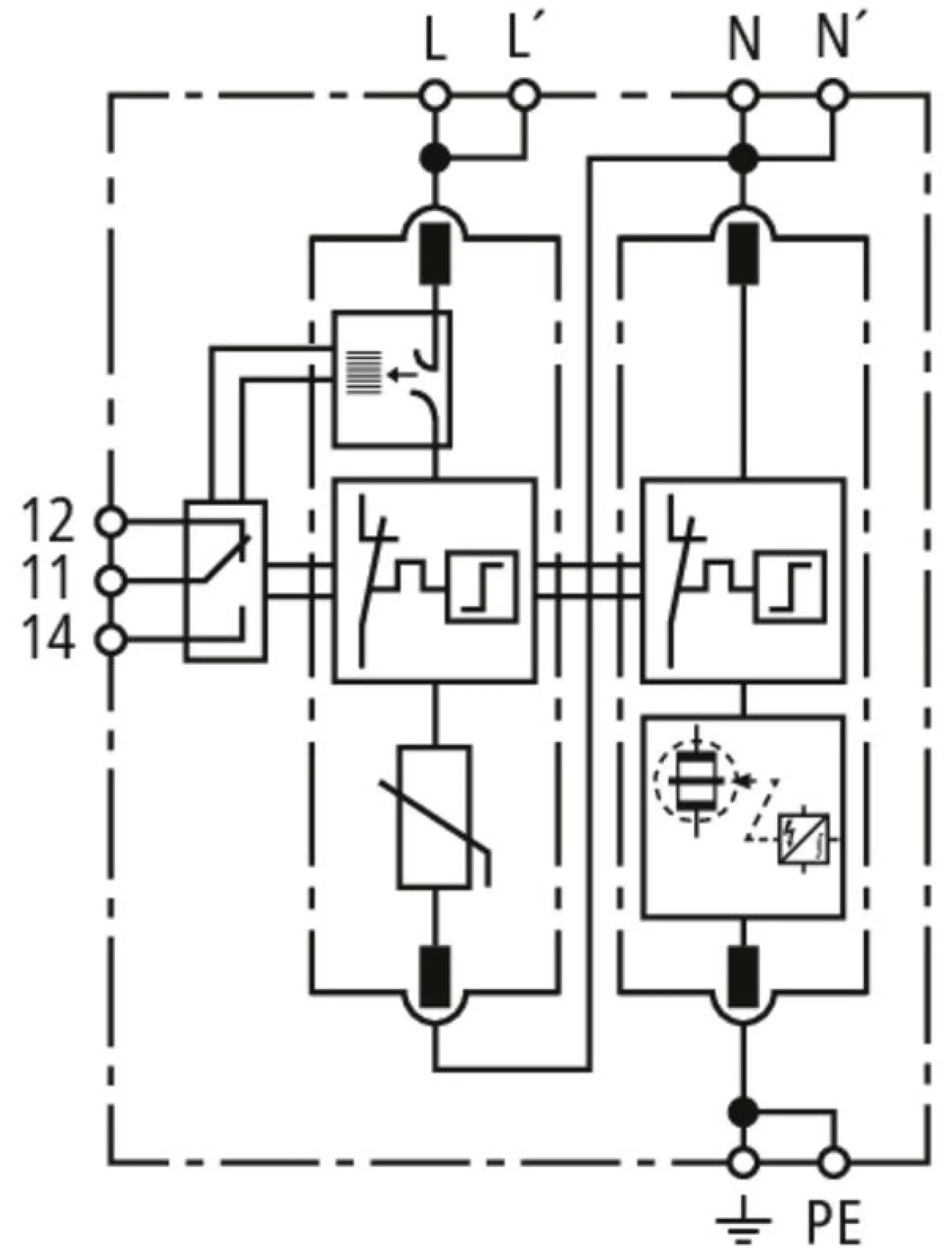
Dehn Ueberspannungsableiter Typ 2 DEHNguard MD 2-polig fuer TT- und TN-Systeme mit ACI
Dehn 943122
EAN
Description
Mehrpoliger Überspannungsableiter DEHNguard M ACI, Typ 2 nach EN 61643-11 mit integrierte ACI-Schalter-/Funkenstrecken - Kombination, bestehend aus Basisteil und gesteckten Schutzmodulen. Hohe Gerätesicherheit durch Ableiterüberwachung mit Thermo-Dynamik-Control. Zum Schutz von Niederspannungs-Verbraucheranlagen vor Überspannungen. Zum Einsatz im Blitz-Schutzzonen-Konzept an den Schnittstellen 0B – 1 und höher.
Documents & Downloads
Product Attributes
Technical data
| P/N (Part Number) | 943122 |
|---|---|
| ETIM | EC000941 |
| Weight | 0.23 kg |
| Weight (packaged) | 0.25 kg |
Designations
440V ACI Abschaltelement Advanced Circuit Interruption CI Nachfolger Dimensionierungssicherheit Durchlassenergie Fehlauslösen Funkenstrecke Hutschiene Integrierte Sicherung Isolationsmessung Isolationsüberwachung Langlebigkeit Leckstromfrei Mittelschutz Niederspannungshauptverteilung Push-in Push-in-Anschlusstechnik Schalter Selektiv TOV Festigkeit Typ2 Varistor Vorsicherungsfrei instabile Netze kleiner Anschlussquerschnitt niedriger Querschnitt Überspannungs-Ableiter – Typ 2 Überspannungsschutz Überspannungsschutz für Energietechnik
Login
No reviews found. Share your insights with others.



















